全国客服热线:
13371051536
栏目导航
- 手持气象站
- 便携式气象站
- 车载气象站
- 气象监测设备
- 超声波气象站
- 防爆气象站
- 森林气象站
- 校园气象站
- 雪深监测站
- 输电线路微气象站
- 雷电预警系统
- 机场气象站
- 高精度风蚀自动气象站
- 海洋气象站
- 可升降避雷针
- 夜视仪
- 北斗环境监测站
- 光透过率检测仪
- 交通气象站
- 固定式雷达测速仪
- 结冰监测
- 降水天气现象仪
- 地质雷达探测仪
- 手持式雷达测速仪
- 光伏气象站
- 云高仪
- 全天空成像仪
- 太阳辐射检测仪
- 人工太阳模拟器
- 太阳光度计
- 光伏电站灰尘监测系统
- 组件el测试仪
- 便携式IV测试仪
- 电能质量检测仪
- 组串电源
- 负氧离子检测仪
- 负氧离子监测站
- 网格化空气质量监测站
- 扬尘在线监测系统
- 走航监测设备
- VOC在线监测系统
- 烟气分析仪
- 粉尘浓度测量仪
- 个体粉尘采样器
- 恶臭在线检测仪
- CEMS烟气在线监测系统
- 气体检测仪
- 在线尘埃粒子计数器
- 灭火机器人
联系我们
王经理:13371051536
邮 箱:1401548526@qq.com
公 司:山东风途物联网科技有限公司
地 址:山东省潍坊市高新区光电路155号光电产业加速器(一期)

大气电场仪

一、大气电场仪应用环境说明
大气电场仪又称电场检测传感器,大气电场仪主要面向航天国防、气象、石油石化、电网、景区、矿山、油库、军事等领域大气电场探测和雷电局域短时预警的应用需求。大气电场仪是一种高精度的雷电监测与预警设备,能够实时监测大气中的电场变化,精准捕捉雷电活动的踪迹,为雷电灾害的防范提供有力支持。
在气象监测领域,大气电场仪可广泛应用于气象台站,对区域内的雷电活动进行连续、不间断的监测,为天气预报和气象灾害预警提供关键数据。通过对大气电场变化的分析,气象部门能够提前预测雷电天气的发生概率、强度和发展趋势,及时发布雷电预警信号,为社会公众、航空、航海等行业的安全运行提供重要参考依据。
对于各类易受雷击的场所,如石油化工企业、通信基站、电力设施、高层建筑等,大气电场仪可作为雷电防护的重要监测工具。在这些场所周边安装大气电场仪,能够实时掌握周边大气电场的动态变化,当监测到大气电场强度超过预设的阈值时,及时触发警报,提醒工作人员采取相应的防护措施,如停止户外作业、关闭关键设备等,从而有效降低雷电灾害对人员生命安全和设备设施造成的损失。
此外,在农业、林业等行业领域,大气电场仪也具有一定的应用价值。在农业生产中,提前获知雷电天气信息有助于合理安排农事活动,避免因雷电天气导致的农作物损失,同时也有利于保障农业作业人员的安全。在林业方面,可利用大气电场仪监测雷电活动,预防雷击引发的森林火灾,为森林资源的?;ぬ峁┍U稀?/p>
二、大气电场仪技术性能和规格
1.技术参数
| 量程 | -100kv/m——100kv/m |
| 精度 | ±0.001%F.S |
| 响应时间 | 3s |
| 外壳材质 | 6061铝合金 |
| 供电电压 | 12VDC(0.5W@12V) |
| 通讯方式 | Modbus-485 |
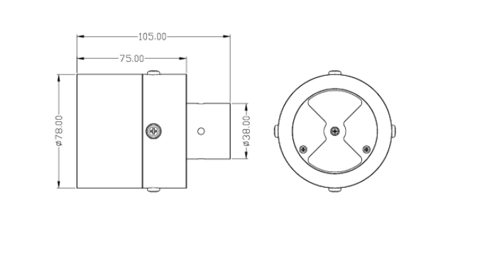
2.大气电场仪尺寸图

三、大气电场仪安装和电气连接
1.安装
1.1:本产品属于较精密仪器,应该避免摔落冲击等现象。
1.2:设备避免高温,注意防水,防结冰;
1.3:开箱后的仪器应当保存在干燥、通风及无腐蚀性气体的场所,搬运时应小心轻放,切忌剧烈振动?;页?、潮湿以及剧烈的温度变化会影响本产品的使用寿命,因此避免放置在这些地方。
使用时设备应有良好的接地
2.电气安装
线缆为4芯屏蔽线,线序定义:
1-红色-电源线(12~24VDC)
2-蓝色-地线(GND)
3-绿色-485B
4-黄色-485A
更新时间:2026-03-03
- 上一篇:景区雷电预警系统
- 下一篇:没有了!



热门搜索:


